شراء الخدمة الآن

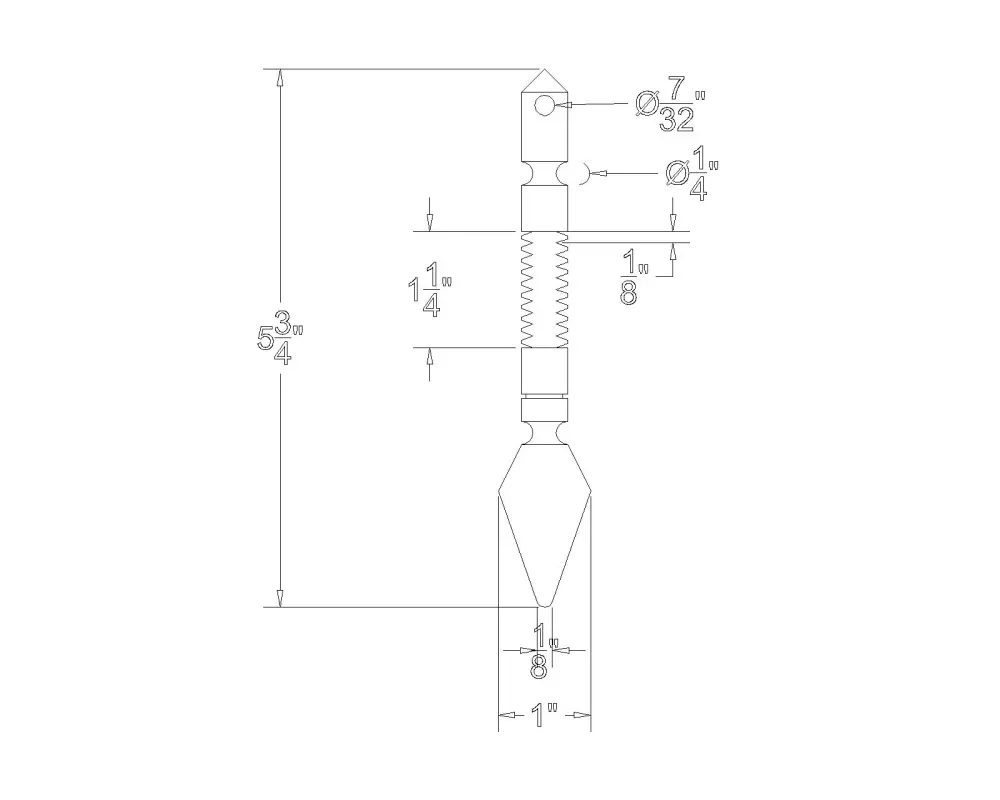
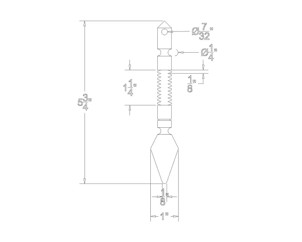
رسم هندسي ثنائي الأبعاد (2D Drawing) لقطعة ميكانيكية

شراء الخدمة

هذه الخدمة تشمل تصميم قطعة ميكانيكية واحدة. إعداد رسم هندسي ثنائي الأبعاد لقطعة ميكانيكية يتضمن المساقط الأساسية والأبعاد اللازمة للتصنيع. تم الالتزام بالمعايير الهندسية في الترقيم والتنظيم. تصميم قطعة ميكانيكية ثنائية الأبعاد مع مراعاة الدقة الهندسية والتنظيم الصحيح للنموذج.

شراء الخدمة الآن
شارك
بطاقة الخدمة
التقييمات
سعر الخدمة
15.00 $
مدة التسليم
3 أيام
بائع الخدمة
Samar Samy
Samar Samy
مهندس تصميم ميكانيكي
شراء الخدمة الآن
شارك
مركز المساعدة