شراء الخدمة الآن

الرسم علي برنامج الاوتوكاد رسومات هندسيه معماريه ورسومات ميكانيكيه

شراء الخدمة

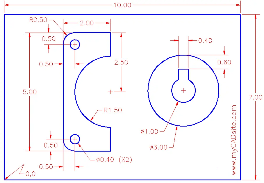
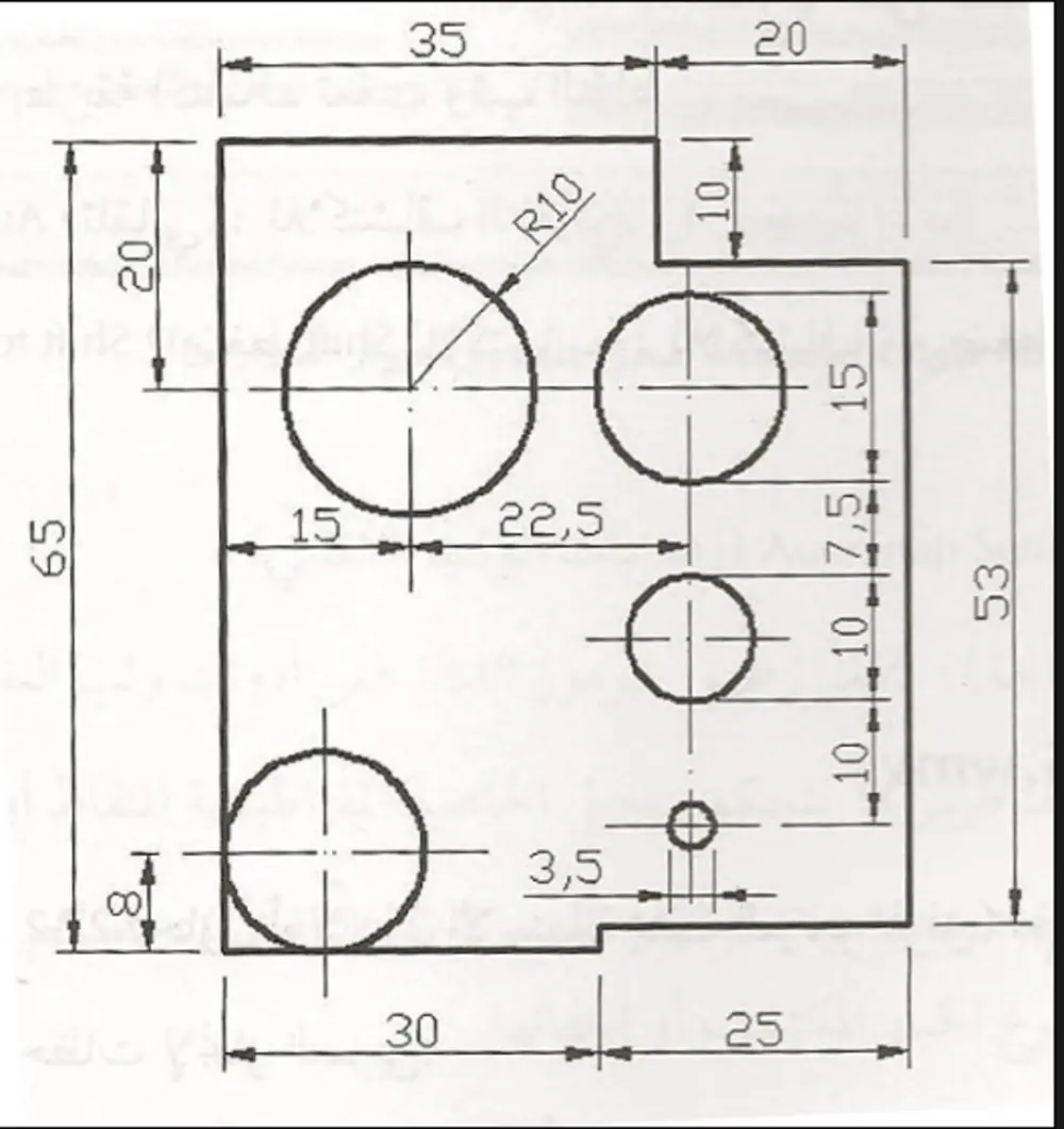
انا رسام اوتوكاد يمكنني رسم اي رسم مدني ومعماري وميكانيكا لك انت ارسم على الورق وانا انفذها على AutoCAD او عندك رسم لمخطط ولا يوجد عندك ملف الاوتوكاد التقط صور للمخطط وارسله لي وانا انفذها بإتقان يمكن استلام الملف في DWGاو PDF بالاضافه الي تجهيز الرسمه للطباعة يمكنني تنفيذ اي رسمه ,الحساب سيكون لكل 20 متر2

شراء الخدمة الآن
شارك
بطاقة الخدمة
التقييمات
سعر الخدمة
10.00 $
مدة التسليم
5 أيام
بائع الخدمة
Sara Samir
Sara Samir
تخصص غير محدد
شراء الخدمة الآن
شارك
مركز المساعدة