شراء الخدمة الآن

تصميم مخططات الكهرباء الصناعية (التحكم التقليدي -Classic Control)

شراء الخدمة

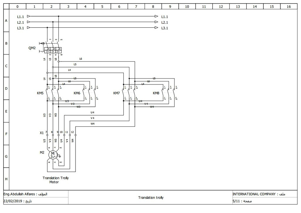
يتم تصميم مخططات الكهرباء الصناعية أو ما يعرف بالتحكم التقليدي (Classic Control) بناء على التطبيق المطلوب, مثل دارة إفلاع عدة محركات ضمن شروط معينة, مخطط عمل رافعة جسرية, مخطط اقلاع مضخات .... وغيرها يتم رسم المخططات على برامج متخصصة مثل EKTS, XRelais, QElectroTech ويتم مراجعة المخطط عدة مرات مع الشاري قبل موعد التسليم النهائي للتأكد من صحة الرسم

شراء الخدمة الآن
شارك
بطاقة الخدمة
التقييمات
سعر الخدمة
10.00 $
مدة التسليم
5 أيام
بائع الخدمة
Abdullah Alfares
Abdullah Alfares
تخصص غير محدد
شراء الخدمة الآن
شارك
مركز المساعدة