تصميم خزان سعة 25 م³ حسب كود API 650
تفاصيل العمل

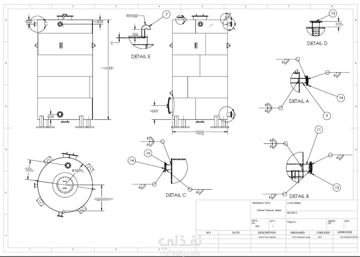
قمت بتصميم خزان تخزين رأسي بسعة 25 متر مكعب وفقًا لمواصفة API 650. شمل العمل نمذجة ثلاثية الأبعاد (3D)، ورسومات تصنيع تفصيلية ثنائية الأبعاد (2D)، بالإضافة إلى الحسابات الميكانيكية اللازمة لتحديد سماكة الجدار، وتقوية الفتحات (الفلنجات)، وتصميم هيكل السقف، وتفاصيل نظام الدعم. تم تسليم مجموعة كاملة من الرسومات الجاهزة للتصنيع، شاملة المقاطع والتفاصيل الدقيقة، لضمان الدقة والسلامة وسهولة التنفيذ. نُفذ المشروع باستخدام برنامج SolidWorks بما يتماشى مع متطلبات العميل والمعايير الصناعية المعتمدة.

شارك
بطاقة العمل
تقييم المستقل
تاريخ النشر
منذ 3 أسابيع
المشاهدات
26
القسم
المستقل
محمد عمار
محمد عمار
مهندس ميكانيكا
طلب عمل مماثل
شارك
مركز المساعدة